МНПП САТУРН
МЫ НОВОСТИ СИСТЕМЫ УСЛУГИ РЕШЕНИЯ ПУБЛИКАЦИИ
  Поиск по сайту   Напишите нам / СИСТЕМЫ
поиск
карта сайта

БСУ-2

Блок согласования на 64 сигнала
Группа изделий: Система диспетчерского управления Сатурн
Блок согласующих устройств БСУ-2

Блок согласующих устройств БСУ-2 предназначен для преобразования 64 информационных сигналов с напряжением 220В,50Гц (или 12В) в сигналы логических уровней и передаче данных в блок БУИК-2.

БСУ-2 входит в состав системы диспетчерского управления "Сатурн".

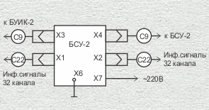
Назначение разъемов БСУ-2:

  • Х1,Х2 - входы информационные сигналы (к оборудованию);
  • Х3 - передача данных в БУИК-2;
  • Х4 - выход для каскадного соединения с другим БСУ-2;
  • Х6 - рабочее зануление (обязательное);
  • Х7 - сеть питания 220В, 50Гц

Контроль сигналов диспетчеризируемого электрооборудования

Основным применением блока БСУ-2 является преобразование контрольных сигналов технологического оборудования перед дальнейшей обработкой в блоке БУИК-2.

Информационные сигналы снимаются в характерных точках шкафа управления контролируемых насосов, фидеров, вентиляторов и проч. и отражают их текущее состояние (включен, выключен, режим работы и проч.). Информационные сигналы подключаются к БСУ-2 при помощи соединителей С22. Проверяется наличие или отсутствие напряжения в контрольных точках электрооборудования. Сигналы могут быть как переменного тока таки постоянного с напряжением (180-240) В или (12-24)В в зависимости от типа установленных электронных плат.

Для увеличения количества контролируемых сигналов возможно каскадное соединение до четырех БСУ-2 при помощи соединителя С9 (0,6 м).

Необходимым условием работы блока БСУ-2 является наличие зануления Х6.

Имеются индикаторы "Питание" и "Нет обмена с БУИК-2".

Основные технические характеристики

  • 64 канала контроля
  • до 4 каскадируемых блоков
  • входное сопротивление канала контроля 30 кОм
  • входное напряжение каналов контроля (187-242)В или (12-24)В
  • степень защиты оболочки IP54
  • напряжение питания (187-242)В, 50Гц
  • потребляемая мощность 30ВА
  • температура окружающего воздуха -40 ...+50 С
  • относительная влажность окружающего воздуха до 95 %
  • габаритные размеры 330х220х120 мм
  • масса 3 кг
  • средний срок службы 12 лет

Документация

Система диспетчерского управления СДУ САТУРН. Руководство по эксплуатации

МЫ НОВОСТИ СИСТЕМЫ УСЛУГИ РЕШЕНИЯ ПУБЛИКАЦИИ

elapsed time 0.032 secработаем на движке KINETIX :)