МНПП САТУРН
МЫ НОВОСТИ СИСТЕМЫ УСЛУГИ РЕШЕНИЯ ПУБЛИКАЦИИ
  Поиск по сайту   Напишите нам / СИСТЕМЫ
поиск
карта сайта

БУИК-2

Блок управления и контроля на 16 сигналов с интерфейсом RS-485
Группа изделий: Система диспетчерского управления Сатурн
Блок управления и контроля БУиК

Блок управления и контроля БУИК-2 предназначен для считывания информационных сигналов, поступивших от БСУ-2, дальнейшей их передаче по интерфейсу RS-485 на АРМ диспетчера, коммутацию выходов управления по командам диспетчера или в соответствии со встроенной программой по принятым сигналам о загазованности.

БУИК-2 входит в состав системы диспетчерского управления "Сатурн".

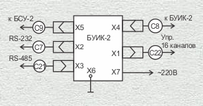
Подключение разъемов БУИК-2:

  • Х1 - выходы 16 каналов управления;
  • Х2 - получение данных от сигнализатора загазованности по RS-232;
  • Х3 - передача данных по RS-485 через БПДД-Е 01 на АРМ диспетчера;
  • Х4 - подключение ведомого БУИК-2 (без платы контроллера);
  • Х5 - считывание данных из БСУ-2;
  • Х6 - защитное заземление;
  • Х7 - сеть питания 220В, 50Гц.

Считывание информационных сигналов БСУ-2

БУИК-2 считывает данные блоков БСУ-2 с периодом около двух раз в секунду. Полученные данные - состояние информационных сигналов - передаются далее на компьютер АРМ диспетчера по интерфейсу RS-485. БУИК-2 поддерживает работу с четырьмя БСУ-2, включенными по каскадной схеме, т.е. принимает до 255 сигналов контролируемого оборудования. БСУ-2 подключается к БУИК-2 при помощи соединителя С9 длинной 0,6 м.

Каналы управления электрооборудованием

Управление диспетчеризируемым оборудованием осуществляется БУИК-2 по 16-ти каналам в ручном и автоматическом режимах. Семисторные каналы управления имеют два состояния: включено, выключено.

В ручном режиме каналы переключаются дистанционно с АРМ диспетчера. БУИК-2 запоминает состояние каналов управления при отключении питания блока.

В автоматическом режиме каналы переключаются при приеме сигналов о загазованности в соответствии с алгоритмом переключения, записанным в память блока при его настройке. Например, включаются каналы фидеров аварийного освещения и выключаются каналы рабочего освещения. Каналы управления подключаются при помощи соединителя С22.

Для увеличения числа каналов управления до 32 шт. возможно соединение двух блоков БУИК-2 при помощи соединителя С8 для организации их параллельной работы. В этом случае во второй (ведомый) блок плата контроллера БУИК-213 не устанавливают.

Автоматическое переключение каналов управления

БУИК-2 реализует алгоритм автоматического управления оборудованием в случае обнаружения сигнала о загазованности. При настройке блока задается до четырех ситуаций переключения каналов. Сигналы о загазованности могут поступать как по входам БСУ-2, так и по интерфейсу RS-232. Для каждой ситуации задается время задержки переключения от 1 до 255 сек. Автоматическое переключение каналов может быть заблокировано с АРМ диспетчера.

При поступлении сигнала о загазованности включается индикатор "Газ в зоне".

Передача данных на АРМ диспетчера

Информация о сигналах и состоянии диспетчеризируемого оборудования поступает от БУИК-2 на компьютер АРМ диспетчера. Также с компьютера производится включение или выключение электрооборудования. АРМ работает под управлением SCADA-системы LanMon. БУИК-2 подключается к блоку БПДД-Е 01 по интерфейсу RS-485 при помощи соединителя С21.

Возможно объединение нескольких (до 16 шт.) БУИК-2 по шине интерфейса RS-485 длинной до 1,2 км. БПДД-Е 01 подключается к локальной проводной сети Ethernet уровня 10Base-T , к которой также подключается компьютер АРМ диспетчера.

При отсутствии связи по интерфейсам RS-232 и RS-485 включаются индикаторы "Нет обмена с БПД" и "Нет обмена с БПУ".

Основные технические характеристики

  • 16 каналов управления
  • до 2 каскадируемых блоков
  • коммутируемое напряжение канала управления (187-242)В, 50Гц или 32В постоянное
  • коммутируемый ток канала управления до 1А
  • степень защиты оболочки IP54
  • напряжение питания (187-242)В, 50Гц
  • потребляемая мощность 5ВА
  • температура окружающего воздуха -40 ...+50 С
  • относительная влажность окружающего воздуха до 95 %
  • габаритные размеры 330х220х120 мм
  • масса 3 кг
  • средний срок службы 12 лет

Документация

Система диспетчерского управления СДУ САТУРН. Руководство по эксплуатации

МЫ НОВОСТИ СИСТЕМЫ УСЛУГИ РЕШЕНИЯ ПУБЛИКАЦИИ

elapsed time 0.042 secработаем на движке KINETIX :)